| 品名コード |
品名 |
員数 |
価格 |
税込価格 |
部品番号 |
適用記述 |
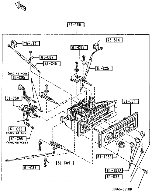
| 61-190 |
ヒーター コントロール |
1 |
11,700 |
12,285 |
N001-61-190A |
NA6CE-151665 |
| 1 |
9,730 |
10,217 |
N001-61-190B |
AN (N001-61-190C)NA6CE 147530-NA6CE 151665- |
| 61-191A |
ノブNO.1 |
3 |
330 |
347 |
NA01-61-191 |
|
| 61-195B |
ファン スイッチ ノブ |
1 |
3,500 |
3,675 |
NA01-61-195 |
|
| 61-C04 |
モードコントロールプレート パネル |
1 |
1,560 |
1,638 |
NA01-61-C04 |
NA6CE-151665 |
| 1 |
1,320 |
1,386 |
NA01-61-C04A |
NA6CE 147530-NA6CE 151665- |
| 61-C09 |
ヒーター コントロール クリップ |
1 |
230 |
242 |
H260-61-C09 |
|
| 61-C25 |
テンプ コントロール ワイヤー |
1 |
1,070 |
1,124 |
NA01-61-C35 |
|
| 61-C35 |
モード コントロール ワイヤー |
1 |
620 |
651 |
NA01-61-C25 |
|
| 61-C45 |
リサイクル & フレッシュ ワイヤー |
1 |
390 |
410 |
N001-61-C45 |
|
| 61-C50 |
ヒーター コントロール ファン スイッチ |
1 |
2,290 |
2,405 |
NA01-61-C50 |
|
| 61-C95 |
モード コントロール バルブ |
2 |
230 |
242 |
NA01-61-C95 |
|
| 1 |
230 |
242 |
NA02-61-C95 |
|
| 1 |
360 |
378 |
NA03-61-C95 |
|
| 61-D22 |
リヤー ヒーター ユニット スクリュー |
3 |
70 |
74 |
NA01-61-D22 |
|
| 76-514 |
クリップ |
2 |
90 |
95 |
B001-76-526 |
|
| 99-175 |
タッピング スクリュー |
|
70 |
74 |
99865-0516B |
|
|